- Home >
- Hoists >
- Beam clamps >
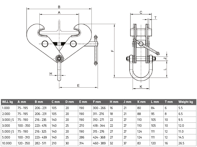
- Tiger fixed jaw beam clamp | BCF
Details
- Suitable for pulling and lifting at angles across the beam
- Highly flexible – for lifting, pulling or as a semi-permanent anchor point
- Quick and versatile rigging point for hoisting equipment
